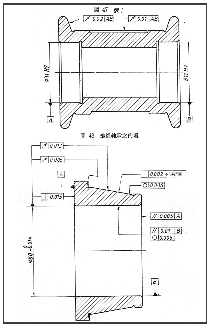
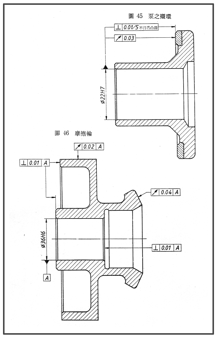
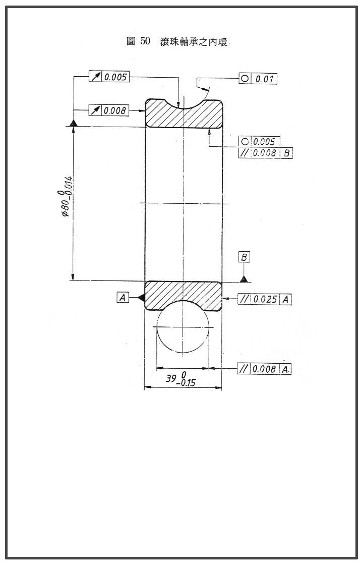
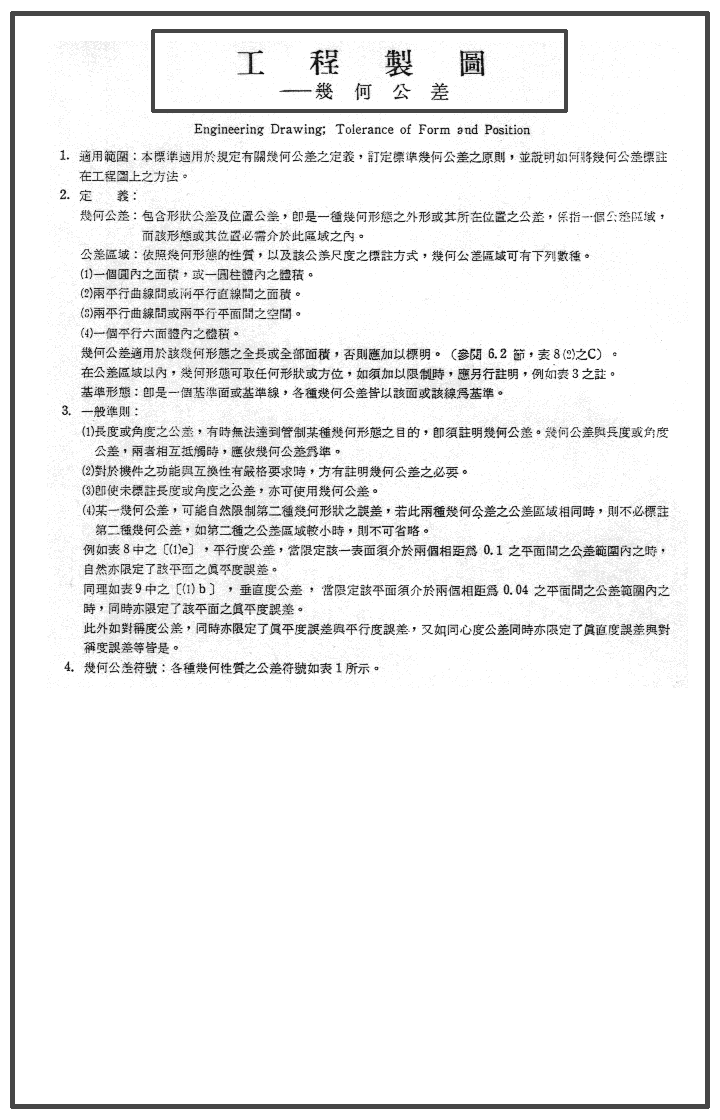
幾何公差(形狀、位置公差)圖解說明